概述
ZW20B-12型戶外柱上高壓真空斷路器為額定電壓12kV、三相交流50Hz的戶外高壓開關設備。主要用于開斷、關合電力系統的負載電流、過載電流及短路電流。適用于變電站、工礦企業及城鄉配電網作保護和控制,特別適用于操作頻繁的場所和域網自動化配電網絡。本產品與控制器配套,能滿足配電自動化系統要求,并能可靠而有效地完成傳統的重合器功能。它采用成熟的箱式密封結構,內部充以SF6氣體,具有良好的密封性能,使之不受外界環境影響,是一種免維護產品。其彈簧操作機構采用直動鏈條主傳動和多級脫扣系統,動作可靠性高,是柱上斷路器的佳品。
型號含義

主要技術參數

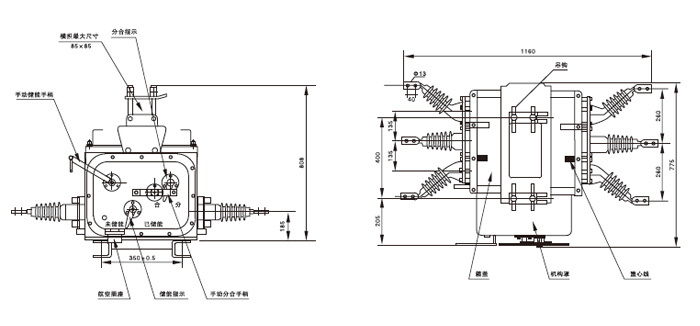
外形及安裝尺寸
